+91-1762-231491, 231334
Home / Cu Ring Type Brazed Seam Terminals with Insulation Sleeve
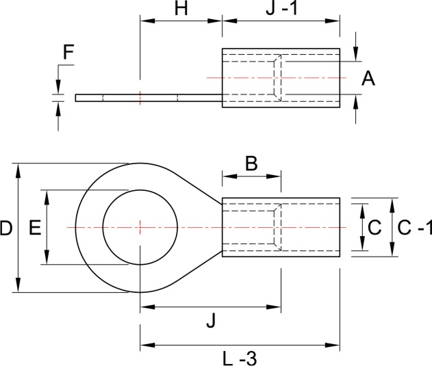
Material: Copper Strip to IS 1897:1983
Insulation: P.V.C
Sleeve Color: 1.5-Red 2.5-Blue 4-6-Yellow
10-Black 16-Black
|
Dimensions in mm |
||||||||||||
|
Cable Size mm2 |
E |
A |
C |
D |
F |
B |
H |
J |
J-1 |
L-3 |
C-1 |
ASCON CAT.NO. |
|
1.5 |
2.2 |
1.6 |
3.2 |
6 |
0.8 |
5 |
4 |
14 |
10 |
16 |
4.8 |
7052 |
|
2.6 |
1.6 |
3.2 |
6 |
0.8 |
5 |
4 |
14 |
10 |
16 |
4.8 |
7053 |
|
|
3.2 |
1.6 |
3.2 |
6 |
0.8 |
5 |
4 |
14 |
10 |
16 |
4.8 |
7054 |
|
|
3.7 |
1.6 |
3.2 |
6 |
0.8 |
5 |
4 |
14 |
10 |
16 |
4.8 |
7055 |
|
|
4.2 |
1.6 |
3.2 |
6 |
0.8 |
5 |
4 |
14 |
10 |
16 |
4.8 |
7056 |
|
|
3.2 |
1.6 |
3.2 |
8 |
0.8 |
5 |
5 |
16 |
10 |
17 |
4.8 |
7060 |
|
|
4.2 |
1.6 |
3.2 |
8 |
0.8 |
5 |
5 |
16 |
10 |
17 |
4.8 |
7061 |
|
|
5.2 |
1.6 |
3.2 |
8 |
0.8 |
5 |
5 |
16 |
10 |
17 |
4.8 |
7062 |
|
|
3.2 |
1.6 |
3.2 |
6.8 |
0.8 |
5 |
3.6 |
13 |
10 |
14.6 |
4.8 |
7057 |
|
|
3.7 |
1.6 |
3.2 |
6.8 |
0.8 |
5 |
3.6 |
13 |
10 |
14.6 |
4.8 |
7058 |
|
|
4.2 |
1.6 |
3.2 |
6.8 |
0.8 |
5 |
3.6 |
13 |
10 |
14.6 |
4.8 |
7059 |
|
|
4.2 |
1.6 |
3.2 |
7 |
0.8 |
5 |
5 |
14.5 |
10 |
16 |
4.8 |
7063 |
|
|
4.2 |
1.6 |
3.2 |
10 |
0.8 |
5 |
6 |
18 |
10 |
18 |
4.8 |
7064 |
|
|
5.2 |
1.6 |
3.2 |
10 |
0.8 |
5 |
6 |
18 |
10 |
18 |
4.8 |
7065 |
|
|
6.4 |
1.6 |
3.2 |
10 |
0.8 |
5 |
6 |
18 |
10 |
18 |
4.8 |
7066 |
|
|
6.4 |
1.6 |
3.2 |
12 |
0.8 |
5 |
6 |
18 |
10 |
17 |
4.8 |
7067 |
|
|
2.5 |
3.2 |
2.3 |
3.9 |
6.5 |
0.8 |
5 |
3.5 |
12.7 |
10 |
14.5 |
5.5 |
7068 |
|
3.7 |
2.3 |
3.9 |
6.5 |
0.8 |
5 |
3.5 |
12.7 |
10 |
14.5 |
5.5 |
7069 |
|
|
3.7 |
2.3 |
3.9 |
8 |
0.8 |
5 |
5 |
16 |
10 |
17 |
5.5 |
7070 |
|
|
4.2 |
2.3 |
3.9 |
8 |
0.8 |
5 |
5 |
16 |
10 |
17 |
5.5 |
7071 |
|
|
5.2 |
2.3 |
3.9 |
8 |
0.8 |
5 |
5 |
16 |
10 |
17 |
5.5 |
7072 |
|
|
5.2 |
2.3 |
3.9 |
10 |
0.8 |
5 |
7 |
18 |
10 |
18 |
5.5 |
7073 |
|
|
6.4 |
2.3 |
3.9 |
10 |
0.8 |
5 |
7 |
18 |
10 |
18 |
5.5 |
7074 |
|
|
5.2 |
2.3 |
3.9 |
12 |
0.8 |
5 |
9 |
22 |
10 |
21 |
5.5 |
7075 |
|
|
6.4 |
2.3 |
3.9 |
12 |
0.8 |
5 |
9 |
22 |
10 |
21 |
5.5 |
7076 |
|
|
8.2 |
2.3 |
3.9 |
12 |
0.8 |
5 |
9 |
22 |
10 |
21 |
5.5 |
7077 |
|
|
6.4 |
2.3 |
3.9 |
16 |
0.8 |
5 |
10 |
25 |
10 |
22 |
5.5 |
7078 |
|
|
8.2 |
2.3 |
3.9 |
16 |
0.8 |
5 |
10 |
25 |
10 |
22 |
5.5 |
7079 |
|
|
10.2 |
2.3 |
3.9 |
16 |
0.8 |
5 |
10 |
25 |
10 |
22 |
5.5 |
7080 |
|
|
10.2 |
2.3 |
3.9 |
18 |
0.8 |
5 |
14 |
29 |
10 |
25 |
5.5 |
7081 |
|
|
12.7 |
2.3 |
3.9 |
18 |
0.8 |
5 |
14 |
29 |
10 |
25 |
5.5 |
7082 |
|
|
4-6 |
4.2 |
3.5 |
5.5 |
8 |
1.0 |
6 |
5 |
17 |
14 |
21 |
7.1 |
7083 |
|
5.2 |
3.5 |
5.5 |
8 |
1.0 |
6 |
5 |
17 |
14 |
21 |
7.1 |
7084 |
|
|
4.2 |
3.5 |
5.5 |
10 |
1.0 |
6 |
5 |
19 |
14 |
22 |
7.1 |
7085 |
|
|
5.2 |
3.5 |
5.5 |
10 |
1.0 |
6 |
5 |
19 |
14 |
22 |
7.1 |
7086 |
|
|
5.2 |
3.5 |
5.5 |
8 |
1.0 |
6 |
9 |
22 |
14 |
26 |
7.1 |
7087 |
|
|
5.2 |
3.5 |
5.5 |
12 |
1.0 |
6 |
6 |
20 |
14 |
22 |
7.1 |
7088 |
|
|
6.4 |
3.5 |
5.5 |
12 |
1.0 |
6 |
6 |
20 |
14 |
22 |
7.1 |
7089 |
|
|
8.2 |
3.5 |
5.5 |
12 |
1.0 |
6 |
6 |
20 |
14 |
22 |
7.1 |
7090 |
|
|
5.2 |
3.5 |
5.5 |
12 |
1.0 |
6 |
7 |
22 |
14 |
24 |
7.1 |
7091 |
|
|
6.4 |
3.5 |
5.5 |
12 |
1.0 |
6 |
7 |
22 |
14 |
24 |
7.1 |
7092 |
|
|
6.4 |
3.5 |
5.5 |
14 |
1.0 |
6 |
10.5 |
25.5 |
14 |
26.5 |
7.1 |
7093 |
|
|
8.2 |
3.5 |
5.5 |
14 |
1.0 |
6 |
10.5 |
25.5 |
14 |
26.5 |
7.1 |
7094 |
|
|
9.7 |
3.5 |
5.5 |
14 |
1.0 |
6 |
10.5 |
25.5 |
14 |
26.5 |
7.1 |
7095 |
|
|
8.2 |
3.5 |
5.5 |
16 |
1.0 |
6 |
13 |
30 |
14 |
30 |
7.1 |
7096 |
|
|
10.2 |
3.5 |
5.5 |
16 |
1.0 |
6 |
13 |
30 |
14 |
30 |
7.1 |
7097 |
|
|
8.2 |
3.5 |
5.5 |
18 |
1.0 |
6 |
12 |
30 |
14 |
30 |
7.1 |
7098 |
|
|
10.2 |
3.5 |
5.5 |
18 |
1.0 |
6 |
12 |
30 |
14 |
29 |
7.1 |
7099 |
|
|
12.7 |
3.5 |
5.5 |
18 |
1.0 |
6 |
12 |
30 |
14 |
29 |
7.1 |
7100 |
|
|
10 |
4.2 |
4.3 |
6.3 |
10 |
1.0 |
8 |
7 |
22 |
16 |
25 |
7.9 |
7389 |
|
5.2 |
4.3 |
6.3 |
10 |
1.0 |
8 |
7 |
22 |
16 |
25 |
7.9 |
7390 |
|
|
4.2 |
4.3 |
6.3 |
10 |
1.0 |
8 |
4 |
20 |
16 |
23 |
7.9 |
7391 |
|
|
5.2 |
4.3 |
6.3 |
10 |
1.0 |
8 |
4 |
20 |
16 |
23 |
7.9 |
7392 |
|
|
6.4 |
4.3 |
6.3 |
12 |
1.0 |
8 |
7 |
23 |
16 |
25 |
7.9 |
7393 |
|
|
8.2 |
4.3 |
6.3 |
16 |
1.0 |
8 |
7 |
27 |
16 |
27 |
7.9 |
7394 |
|
|
8.2 |
4.3 |
6.3 |
18 |
1.0 |
8 |
9 |
30 |
16 |
29 |
7.9 |
7395 |
|
|
10.2 |
4.3 |
6.3 |
18 |
1.0 |
8 |
9 |
30 |
16 |
29 |
7.9 |
7396 |
|
|
10.2 |
4.3 |
6.3 |
22 |
1.0 |
8 |
10 |
34 |
16 |
31 |
7.9 |
7397 |
|
|
12.7 |
4.3 |
6.3 |
22 |
1.0 |
8 |
10 |
34 |
16 |
31 |
7.9 |
7398 |
|
|
16 |
5.2 |
5.6 |
8.0 |
10 |
1.2 |
10 |
6 |
24 |
20 |
29 |
10 |
7399 |
|
5.2 |
5.6 |
8.0 |
12 |
1.2 |
10 |
6 |
26 |
20 |
30 |
10 |
7400 |
|
|
6.4 |
5.6 |
8.0 |
12 |
1.2 |
10 |
6 |
26 |
20 |
30 |
10 |
7401 |
|
|
6.4 |
5.6 |
8.0 |
16 |
1.2 |
10 |
8 |
30 |
20 |
32 |
10 |
7402 |
|
|
8.2 |
5.6 |
8.0 |
16 |
1.2 |
10 |
8 |
30 |
20 |
32 |
10 |
7403 |
|
|
9.7 |
5.6 |
8.0 |
16 |
1.2 |
10 |
8 |
30 |
20 |
32 |
10 |
7404 |
|
|
8.2 |
5.6 |
8.0 |
18 |
1.2 |
10 |
10 |
33 |
20 |
34 |
10 |
7405 |
|
|
10.2 |
5.6 |
8.0 |
18 |
1.2 |
10 |
10 |
33 |
20 |
34 |
10 |
7406 |
|
|
10.2 |
5.6 |
8.0 |
22 |
1.2 |
10 |
8 |
35 |
20 |
34 |
10 |
7407 |
|
|
12.7 |
5.6 |
8.0 |
22 |
1.2 |
10 |
8 |
35 |
20 |
34 |
10 |
7408 |
|
Copyrights © 2018 by Ascon Engineering Industries, All Rights Reserved. Designed & Developed by Phoenix Creation.